聯系人:陸經理 18861601720
錢經理 18262289589
電話:0510-85625533
0510-85626633
0510-85626622
傳真:0510-85627088
地址:無錫市濱湖經濟技術開發區大通路509號
壓力變送器
產品分類:壓力變送器
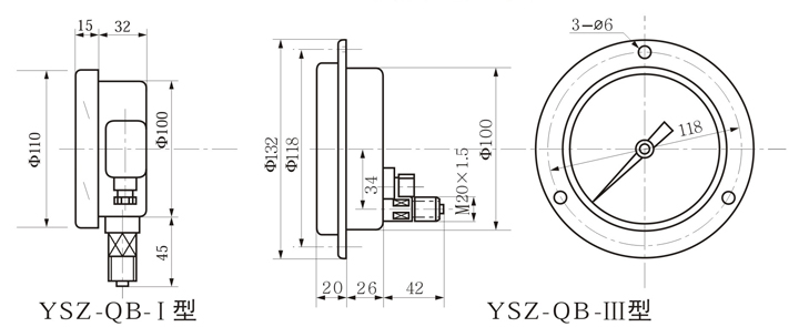
數顯壓力表 YSZ-AB-1系列內電式數顯壓力表 采用大容量鋰離子電池供電,功耗低,可長期連續工作,自動光控火磁控開關能延長電池工作時間,當現實L0BA時,提示電池供電不足,應使用未用充電
訂購熱線:0510-85625533
產品詳情
![]() 數顯壓力表
|
||||||||||||||||||||||||||||||||||||||||||||||||||||||||||||||||||||||||||||||||||||||||||||||||||
|
||||||||||||||||||||||||||||||||||||||||||||||||||||||||||||||||||||||||||||||||||||||||||||||||||
|
||||||||||||||||||||||||||||||||||||||||||||||||||||||||||||||||||||||||||||||||||||||||||||||||||
|
||||||||||||||||||||||||||||||||||||||||||||||||||||||||||||||||||||||||||||||||||||||||||||||||||
- 上一個產品:上一篇:沒有了!
- 下一個產品:下一篇:壓力變送器









































![[field:text/]](/uploads/allimg/181217/1-1Q21H04446.jpg)
![[field:text/]](/uploads/allimg/181217/1-1Q21H04446-50.jpg)










